Urz膮dzenia czyszcz膮ce ta艣m臋
Zgarniacze czo艂owo-b臋bnowe
TBC-QC
Zgarniacze p艂ugowe do wew. strony
ta艣my
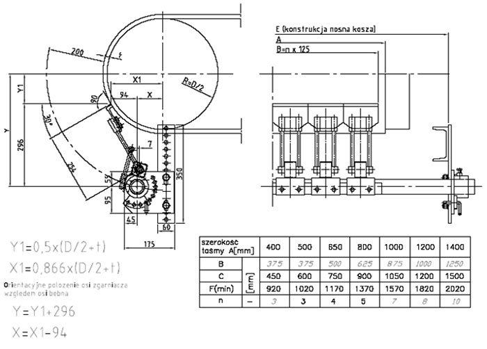
Zgarniacz czo艂owo-b臋bnowy TPC
Zgarniacz czo艂owo - b臋bnowy z listw膮 segmentow膮 z kszta艂tek z w臋glika wolframowego stosowany jest jako zgarniacz podstawowy do wst臋pnego czyszczenia ta艣my z resztek materia艂贸w szczeg贸lnie abrazyjnych np. kwarc, 偶u偶el, ruda, itp.
Charakterystyka:
-
Wysoka skuteczno艣膰 oczyszczenia ta艣my metod膮 tzw. „szpachli”;
-
Lamele skrobi膮ce wykonano z kszta艂tek z w臋glika spiekanego zamontowanych w amortyzatorach gumowo – metalowych;
-
Konstrukcja listwy zgarniacza zapewnia jej przestrzenne odkszta艂cenia samoczynnie dopasowanie si臋 lameli do kszta艂tu ta艣my;
-
D艂uga 偶ywotno艣膰 element贸w czyszcz膮cych;
-
Ma艂a si艂a docisku element贸w czyszcz膮cych do ta艣my (30 N);
-
艁atwy monta偶 i obs艂uga;
-
Zabezpieczenie antykorozyjne – cynkowanie ogniowe;
-
Przewidziany do pracy na ta艣mach jednokierunkowych i rewersyjnych;
-
Zastosowanie do ta艣m wulkanizowanych;
-
Wysoki standard bezpiecze艅stwa w eksploatacji;
-
Urz膮dzenia spe艂nia wymogi bezpiecze艅stwa okre艣lone w Dyrektywie
ATEX 137 i ATEX 95;



