Urz膮dzenia czyszcz膮ce ta艣m臋
Zgarniacze czo艂owo-b臋bnowe
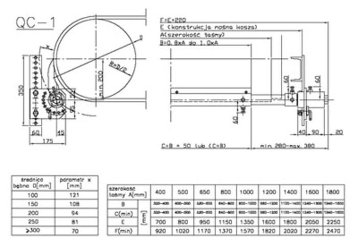
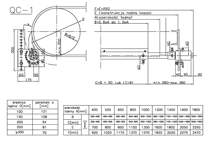
TBC-QC
Zgarniacze p艂ugowe do wew. strony
ta艣my
Zgarniacz czo艂owo – b臋bnowy TBC-QC1
Zgarniacz czo艂owo - b臋bnowy z listw膮 wykonan膮 z litego polimeru stosowany jest jako zgarniacz podstawowy (wst臋pny) do czyszczenia ta艣my z pozosta艂o艣ci materia艂u transportowanego.
Charakterystyka:
-
Samoczynne ostrzenie si臋 segment贸w listwy skrobaka zapewnia specjalny (opatentowany) profil. W eksploatacji zapewnia on utrzymywanie sta艂ego k膮ta natarcia ostrza skrobaka oraz niezmiennej powierzchni natarcia i si艂y docisku ostrza do b臋bna;
-
艁atwa wymiana listwy skrobi膮cej mocowanej w specjalnym listwowym
zamku metalowym; -
艁atwy monta偶 i obs艂uga w trudno dost臋pnych miejscach;
-
D艂uga 偶ywotno艣膰 listwy skrobi膮cej wykonanej ze spr臋偶ystego polimeru;
-
Konstrukcja zapewniaj膮ca niewielki odst臋p belki no艣nej od powierzchni ta艣my;
-
Szczeg贸lnie polecany do pracy na ta艣mie zu偶ytej oraz 艂膮czonej zamkami metalowymi;
-
Belka no艣na z przesuwnymi ramionami teleskopowymi umo偶liwia dostosowanie zgarniacza do konstrukcji no艣nej przeno艣nika zapewniaj膮c 艂atwy monta偶 i obs艂ug臋 w trudno dost臋pnych miejscach;
-
Zabezpieczenia antykorozyjne – cynkowanie ogniowe;
-
Urz膮dzenia spe艂nia wymogi bezpiecze艅stwa okre艣lone w Dyrektywie
ATEX 1337 i ATEX 95;
Atesty:
- Certyfikat wyrobu AT-117/2001 wydany przez GIG w Katowicach;
- Atest bezpiecze艅stwa nr GM-142/02 dla polimeru PU wydany przez WUG
w Katowicach;



