Urz膮dzenia czyszcz膮ce ta艣m臋
Zgarniacze czo艂owo-b臋bnowe
TBC-QC
Zgarniacze p艂ugowe do wew. strony
ta艣my
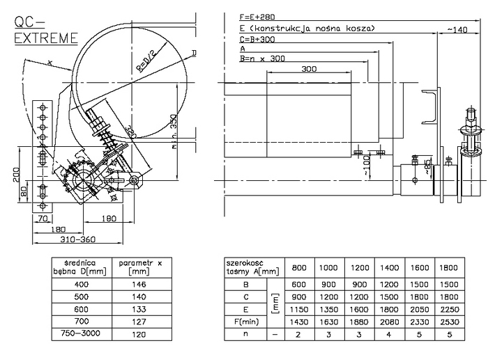
Zgarniacz czo艂owo – b臋bnowy TBC-QC EXTREME
Zgarniacz czo艂owo - b臋bnowy z listw膮 segmentow膮 polimerow膮 stosowany jako zgarniacz podstawowy do wst臋pnego oczyszczenia ta艣my z pozosta艂o艣ci materia艂u transportowanego w bardzo trudnych warunkach (np. g贸rniczych).
Charakterystyka:
-
Samoczynne ostrzenie si臋 segment贸w listwy skrobaka zapewnia specjalny (opatentowany) profil. W eksploatacji zapewnia on utrzymywanie sta艂ego k膮ta natarcia ostrza skrobaka oraz niezmiennej powierzchni natarcia i si艂y docisku ostrza do b臋bna;
-
D艂uga 偶ywotno艣膰 i wysoka wytrzyma艂o艣膰 mechaniczna skrobaka wykonana z polimeru PU;
-
Spr臋偶ysto艣膰 polimerowych segment贸w, z kt贸rych wykonana jest listwa zgarniacza umo偶liwia niezale偶nie ich dopasowanie si臋 do krzywizny b臋bna (ka偶dego segmentu indywidualnie);
-
艁atwa wymiana segment贸w skrobaka, szuflada bez u偶ycia 艣rub;
-
Wzmocniona belka no艣na zgarniacza z ramionami teleskopowymi;
-
Przewidziany do ekstremalnie ci臋偶kich warunk贸w eksploatacji (do pr臋dko艣ci ta艣my powy偶ej 6 m/s i 艣rednicy b臋bna powy偶ej D > 800mm);
-
Przystosowany do pracy na ta艣mie wulkanizowanej oraz 艂膮czonej zamkami metalowymi;
-
Zabezpieczenie antykorozyjne – cynkowanie ogniowe;
-
Urz膮dzenia spe艂nia wymogi bezpiecze艅stwa okre艣lone w Dyrektywie
ATEX 137 i ATEX 95;
Atesty:
-
Certyfikat wyrobu AT-117/2001 wydany przez GIG w Katowicach;
-
Atest bezpiecze艅stwa nr GM-142/02 dla polimeru PU wydany przez WUG
w Katowicach; -
Patent RP nr 195192;


